0571-64618808
杭州Kaiyun开云阀门有限公司

科技突破未来 品质创造价值

首页 产品中心 给排水系统 止回阀

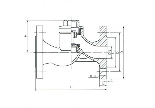
法兰、内螺纹连接升降式/旋启式止回阀

产品概述:

法兰止回阀是指依靠介质本身流动而自动开、闭阀瓣,用来防止介质倒流的阀门,又称逆止阀、单向阀、逆流阀、和背压阀。止回阀属于一种自动阀门,其主要作用是防止介质倒流、防止泵及驱动电动机反转,以及容器介质的泄放。止回阀还可用于给其中的压力可能升至超过系统压的辅助系统提供补给的管路上。止回阀主要可分为旋启式止回阀(依重心旋转)与升降式止回阀(沿轴线移动)。


咨询我们
  • 技术参数
  • 外型尺寸
  • 零件材料
  • 下载中心
  • 590befc9aec720f7c267679e557e6894.jpg

  • 1610593204(1).jpg